工作時間 周一至周六 8:00-17:00
ZJC-3靜態沖擊繼電器在輸配電線路中應用于直流操作的保護與控制中作為集中信號裝置的主要元件,也可以用于特殊信號設備中。
ZJC-3靜態沖擊繼電器概述
ZJC-3靜態沖擊繼電器在輸配電線路中應用于直流操作的保護與控制中作為集中信號裝置的主要元件,也可以用于特殊信號設備中。
ZJC-3靜態沖擊繼電器型號命名及含義

1、工作原理
繼電器由變流取樣、執行、保持或延時自動復歸等部分組成(見圖1) ,裝有二只發光二極管,監視電源和執行狀況。當加入電源或復歸后需經1~2s時間充電,準備好下一次工作, 一旦啟動回路中有信號輸入,電流脈沖信號經變流取樣后,使執行部分工作并輸出信號,經保持或延時復歸部分延時后可實現保持或延時自動復歸、手動復歸等功能。

2、設計特點
本繼電器采用進口集成電路等電子元器件.靈敏度高、功耗小、性能穩定.既可啟動普通白織燈,也可啟動LED型節能信號燈,可自動復歸,也可手動復歸,可正電源復歸,也可負電源復歸,可通電復歸,也可斷電復歸,外部接線與老型號產品基本相同,減少了現場安裝工作量,是目前電力系統中理想的更新換代產品 。
ZJC-3靜態沖擊繼電器技術指標及注意事項
1、最小沖擊動作直流電流: 0.015A;施加90%額定的最小沖擊動作電流,裝置應能可靠動作在-10°C~+50°C溫度下,沖擊動作電流不大于0.015A。
2、最大沖擊穩定直流電流: 3.20A。
3、功率消耗:
a、工作回路功率消耗: DC48V時≤1.5W; DC110V時≤3W; DC220V時≤5.5W。
b、啟動回路功率消耗:沖擊直流電流為3.2A≤1.5W時。
4、在一般情況下,繼電器處于自動復歸狀態,繼電器動作后保持5~10s自動復歸;需要保持時,將保持端與電源負端連接,手動復歸時,將復歸端與電源正端或負端接通一下,勿閉鎖。
注意: ZJC-3型功能和外部接線同ZC-23/A型,有斷電復J三1功能,但無自動復歸功能.若需此功能,訂貨時需注明;另如對最小沖擊電流、自動復歸時間等有特殊要求也需注明。
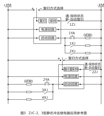
ZJC-3靜態沖擊繼電器內部接線及外引接線圖(正視圖)


ZJC-3靜態沖擊繼電器外形及開孔尺寸



礦山冶金
化工、化肥、水泥、紡織
能源、環保
機械電子
火電、水電
造紙、制糖、制藥
市政基礎建設
原料、鋼鐵
上一篇:ZC-3A沖擊繼電器
下一篇:JT-1靜態同步檢查繼電器

