工作時間 周一至周六 8:00-17:00
JJJ-2B直流絕緣監視繼電器是在原先的技術基礎上最新研發的新一代高靈敏度產品,完全可以代替原電磁型常規型號無需改變任何線路,與電磁型相比更直觀、更可靠接線方式更多種方式遠遠滿足客戶需求。
JJJ-2B直流絕緣監視繼電器概述
發電廠和變電所的直流系統接線復雜,從主控制室到戶外變配電現場的電纜數量多、接線復雜、距離長,發生二次接線接地和(直流)絕緣降低的機會較多,所以在直流系統回路中裝設絕生象監視裝置,以及時發現接地點和絕緣降低的情況來改變事故的發生。
HJJ系列靜態直流絕緣監視繼電器是我公司在原先的技術基礎上最新研發的新一代高靈敏度產品。該產品完全可以代替原電磁型常規型號無需改變任何線路,與電磁型相比更直觀、更可靠接線方式更多種方式遠遠滿足客戶需求。
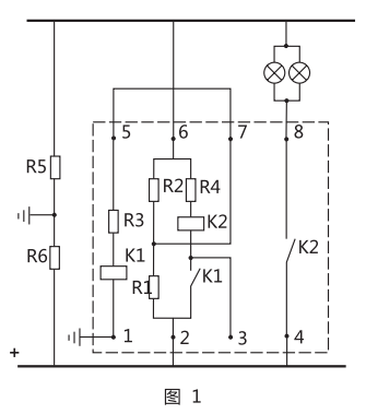
JJJ-2B直流絕緣監視繼電器工作原理
R1、 R2 (R1=R2)為橋臂平衡電阻,R5、R6為直流母線對地絕緣電阻,靈敏元件K1跨接在地和平衡電阻之間。正常工作時,電橋平衡,靈敏元件上無電流通過。在一側絕緣電阻下降時,便有一不平衡電流通過靈敏元件,當不平衡電流達到一定值時便側絕緣電阻下降時,便有一不平衡電流通過靈敏元件,當不平衡電流達到一定值時便動作,再由繼電器出口觸點接通報警信號發信號如圖所示。

JJJ-2B直流絕緣監視繼電器型號分類及含義

JJJ-2B直流絕緣監視繼電器主要技術參數
電流和直流電壓: (220V、1.5mA);(110V、3.1mA);(48V、6.3mA)。
繼電器動作值:當母線任何一側對地絕緣電阻下降到下表值時,繼電器應可靠動作并有相應的動作指示。

功率消耗:在直流220V額定電壓下繼電器動作后的功率消耗不大于5W。
熱穩定性(過載能力):繼電器可長期承受110%額定電壓。
工作壽命:產品可靠工作壽命為104。
介質強度:在基準條件下,產品各導電部分連在一起,對外露非帶電金屬部分及外殼之間,能承受交流有效值2000V/50HZ的試驗電壓歷時1分鐘,無絕緣擊穿或閃絡現象。
觸點性能:在電壓不超過250V,電流不超過2A,時間常數為5±0.75ms的直流有感負荷電路中產品輸出的斷開容量為50W。在電壓不大于250V,電流不大于1A的交流電路中功率因數為0.4±0.1)斷開容量為250VA。
JJJ-2B直流絕緣監視繼電器內部端子外引接線圖(正視)

JJJ-2B直流絕緣監視繼電器外形尺寸及開孔尺寸圖


礦山冶金
化工、化肥、水泥、紡織
能源、環保
機械電子
火電、水電
造紙、制糖、制藥
市政基礎建設
原料、鋼鐵
上一篇:JJJ-2A直流絕緣監視繼電器
下一篇:JJJ-3B直流絕緣監視繼電器

