來源:本站???作者:001 ???發布時間: 2023-11-09 11:10???瀏覽: 1927
繼電器基礎知識:技術篇-MOS FET繼電器
設計輸入側電源時的電流值概念
設計輸入側電源時的煩惱
機械式繼電器、MOS FET繼電器分別具有不同的特長。
基于對MOS FET繼電器所具小型及長壽命、靜音動作等優勢的需求,目前已經出現了所用機械式繼電器向MOS FET繼電器轉化的趨勢。
但是,由于機械式繼電器與MOS FET繼電器在產品結構上完全不同,所以設計時需注意的要領也自然不同。
機械式繼電器通過施加線圈電壓進行驅動,而MOS FET繼電器則是電流驅動。采用不同于機械式繼電器的結構,在投入電流時,輸入側的LED將會發光,輸出側的PDA(光電二極管陣列)根據受光量進行發電并施加電壓來驅動MOS FET繼電器。因此,驅動MOS FET繼電器需要向LED投入多少電流成為設計上需要解決的課題。
LED的光量會因各種原因而發生變化。電流值越大,光量也就越強。此外,光量還會因長期使用所致老化而逐漸變弱。因此,要想長期使用,則需對經年老化時的發光量加以考量。此外,如果環境溫度較高,驅動MOS FET所需的電壓也會變高,所以需要比日常溫度下更大的電流。
MOS FET繼電器無法投入超出額定值的電流。如果未在設計上正確加入此些要素,則會導致設備故障。
在這種輸入側的電源設計上,應該存在各種令人煩惱的問題。
這是因為使用了LED,所以在設計上需要考量的事項與機械式繼電器時存在差異。
要領共有2個。
1. 周圍溫度環境的影響
2. LED的經年老化
MOS FET繼電器相關回顧
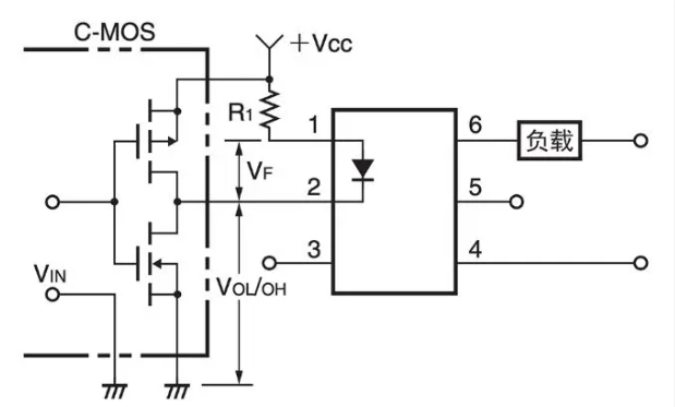
首先,我們來回顧一下MOS FET繼電器的結構和動作原理。
MOS FET繼電器是一款組合了半導體單元(LED、PDA、MOS FET)、實現了繼電器功能的部件。
如上所述,MOS FET繼電器通過向輸入側投入電流使LED發光,然后通過PDA將該光變為電壓來驅動作為輸出單元的MOS FET執行動作。也就是說,需要設計向LED投入適用電流、使PDA可不斷受光的輸入側電源。要領共有以下2點。
LED會伴隨使用逐漸經年老化。輸入側的電流越高,老化速度越快,因此需設計解決此問題的輸入側電流值。此外,不同的MOS FET繼電器商品所搭載的LED種類不同,且經年老化的速度也存在差異。

有些客戶出于“只要所選高電流在額定電流范圍內就不會產生運行問題”的觀念而在設計上選擇了高電流值,這種情況下將會存在不足。輸入側的電流基本直接流入LED,從而導致LED老化且發光量下降。結果可能會造成MOS FET繼電器無法正常運行,甚至還可能導致LED損壞而使MOS FET繼電器無法運行。因此,要想確保正常運行且長期使用,則需在設計上采用合理光量使LED發光,并向輸入側投入合理的電流。

要領② 使用環境溫度的考量
LED的老化速度還會因使用的環境溫度條件而加速。使用的環境溫度越高,老化速度越快,所以應基于這方面的考量設計輸入側的電流值。

要領③ 其他考量事項
還有一點,內容并不僅限于我們的產品,同時也應基于對客戶質量的考量而采用確保安全的設計。這一點也希望在輸入側的電流值設計上得到反映。
輸入側電流值的計算公式
基于上述3點的考量,輸入側的電流值設計可能要求達到以下所示條件。
· 動作LED正向電流設計值=IFT×α1×α2(×α3)
· IFT:觸發LED 正向電流???以商品目錄的最大額定值為基準。
· α1:LED的經年變化率???根據產品型號(所用LED)而異。
· α2:IFT的環境溫度變化???基于商品目錄的“觸發LED正向電流-環境溫度”圖表。
· α3:安全系數???電源的差異及老化、其他。
例如:G3VM-61G3型,假設在最高85℃的環境溫度下使用時,
· IFT:0.2mA(最大額定值、25℃)
· α1:基于10萬小時后80%(減少20%)的LED預測經年變化數據進行設定? 1÷0.8=1.25
(環境溫度升高后將會加速變化,所以在85℃的環境溫度下使用時,40℃時的數據所示變化率也會增大,IF條件10mA也顯示在較低條件下使用時變化會變小。基于對該點的考量,本次設定為80%。)
· α2:基于觸發LED正向電流-環境溫度圖表所示25℃和85℃環境溫度的數值設定變化率
? 0.6mA÷0.2mA=3
動作LED正向電流設計值=0.2mA×1.25×3(×α3)=約0.75mA(×α3)。
公司介紹:上海上繼科技有限公司是一家專業從事電力系統繼電保護及智能電網電力自動化產品的研發、設計、生產、銷售和服務為一體的高科技公司。擁有資深繼電保護專家團隊和國內領先的檢測儀器及校驗設備。同時還引用國內外先進技術,來進行技術創新。本公司的產品廣泛用于電力、工礦、鐵路、建筑等國家重大工程輸配變電系統上,產品遠銷東南亞及中東地區。產品通過國家繼電保護及自動化設備質量監督檢驗中心檢測,獲得ISO9001國際質量體系認證。“科技創新,誠信務實”是公司的經營理念,本公司以高超的技術支持和對用戶高度負責的售后服務贏得了輸配電成套企業的信賴,且樹立了良好的信譽。
公司主營:繼電器(時間繼電器,電壓繼電器,電流繼電器,中間繼電器,信號繼電器,閃光繼電器,沖擊繼電器,同步檢查繼電器,接地繼電器,差動繼電器,重合閘繼電器,絕緣監視繼電器,雙位置繼電器,模數化繼電器),微機保護裝置,電力儀表,智能操控裝置
上海上繼科技有限公司(專注電力保護繼電器生產廠家)銷售熱線:021-57233089 QQ:1932551438
{以上內容僅供參考,上海上繼科技有限公司有最終解釋權}
更多繼電器精彩文章——高壓開關柜溫度過高的常見原因
上一篇:高壓開關柜溫度過高的常見原因
下一篇:繼電器在保溫柜中的應用

